x
Желаете начать сотрудничество?
Оставьте свой номер телефона или вашу почту, и мы с вами свяжемся
Даю согласие на обработку персональных данных
Хочу получать информацию о новых поступлениях
+7 (495) 979-33-22
+7 (495) 500-67-76
г. Москва поселение Щаповское
квартал 205 д.3 стр.4
0
Каталог оборудования
Емкостное оборудование
Молочное оборудование
Мясоперерабатывающее оборудование
Консервное оборудование
Фасовочное, упаковочное оборудование
Для алкогольной, безалкогольной промышленности
Пастеризаторы, теплообменники.
Кондитерское, хлебопекарное, для гастронома
Холодильное, морозильное оборудование
Прочее оборудование
Недвижимость: аренда, продажа.
Емкости, оборудование. Локация - Калининград.
Вакансии
Услуги
Лизинг
Прайс-листы
Компания
Новости и акции
Покупателям
Контакты
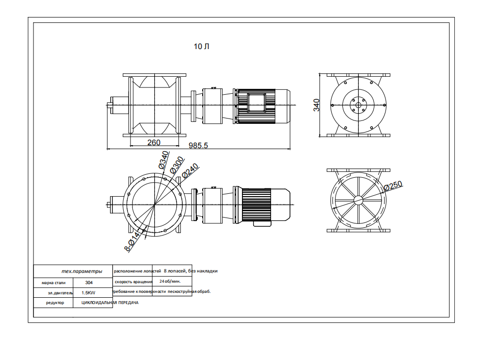
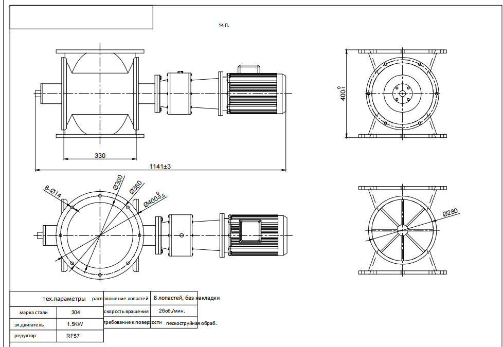
Турникет (затвор) для А1-ОРЧ, ВРА-4 инв.13090

Затвор шлюзовой, турникет, для сушилки молока А1-ОРЧ, ВРА-4 новый

Модели:

10Л (Ø А, ДУ 240) -10шт

12Л (Ø А,  ДУ 260) - 4шт

16Л (Ø А,  ДУ 300) - 2шт

Затвор предназначен для выгрузки сухого продукта без утраты давления воздуха в системе, для удаления подсушеного продукта из циклона, при этом не нарушая герметичность системы удаления продуктов сушильной установки.

Тех.характеристики моделей в таблице на фото.

Макс.давление 2,5 бар

Максимальная кратковременная температура термостойкости составляет не более 1800С.

Нормальное непрерывное использование при температуре <= 1200С

Шлюзовой затвор изготавливлен из нержавеющей пищевой стали.

Артикул: 190924-1
Стоимость: Уточните у менеджера или запросите прайс-лист
Получить прайс-лист
Заявка на покупку
Добавить в избранное
Другие товары категории «Распылительно-сушильные установки, сухое молоко.»
Разработка сайта: Альмерия